Usenet @ RKM

How to read newsgroups in a mail program like Thunderbird

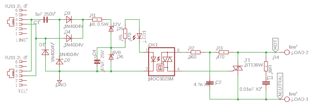
Laidinio telefono skambutis

A short format overview

Paragraphs
Paragraphs are separated by
an empty line.

Next paragraph.
Lists
Use a `*` or `-` to create a list:

- First item
  * Item 1a
  * Item 1b
- Second
- Last
Links
Clear [links][1] within text.

[1]: http://www.example.com/

Or use [direct
links](http://www.example.com/).
Code
Code needs to be indented
with 4 or more spaces or at
least one tab:

    printf("hello world!");
Quotes
Quotes star with a `>` sign:

> To be or not to be…

Attachments
delete

or or

Preview